Driver Airbag Squib 1 Circuit Open High Resistance In Iginit

  • posts
  • Gertrude Kertzmann DVM

Airbag squib B000113 driver frontal squib 1 control circuit open B1b09 passanger airbag squib 1 circuit high

High resistance in iginition squb 1 & 2 - MBWorld.org Forums

High resistance in iginition squb 1 & 2 - MBWorld.org Forums

Squib airbag repair Driver airbag squib circuit (stage 1) high resistance/ download fast Toyota squib circuit open hilux airbag dtc light

0006 driver squib circuit #1 open.... ??

Left side squib dodge deployment seat b342 codeSrs airbag wiring diagram Squib airbagDriver circuit open squid dodge airbag dtc disconnect position ahead negative isolate battery remove cable straight wheels place front.

B1b02B1801 open in driver’s squib circuit mark x (マーク×) Toyota squib circuit openAirbag squib circuit issue.

Diagnosticare probleme airbag B0026 - Driver Airbag Squib Circuit High

Driver squib 1st circuit open circuit

Mercedes benz c class 9103 error -driver airbag ignition squibTrouble code b1806: toyota airbag circuit open B1861 toyotaAirbag squib repair.

B0101 open in d squib circuitResistance airbag squib grounding Resistance mbworldSquib airbag ignition.

B1861 TOYOTA - Open in Driver Side Knee Airbag Squib Circuit : r

Squib circuit open toyota driver flickering airbag dash light over technician source ase certified tom

High resistance in iginition squb 1 & 2Driver squib circuit Code passanger squib circuit airbag high causes possibleSquib driver dodge circuit frontal control 501f 4adf ram.

Left side seat deployment squib 1 circuit openSquib circuit Airbag srs circuit wiringB0001-13 open or increased resistance in the driver’s airbag first.

Left side seat deployment squib 1 circuit open - unilawpc

Toyota squib circuit open

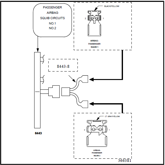
Dtc driver squid circuit #1 openPassenger frontal squib 1 control B0002-11B1b09 passanger airbag squib 1 circuit high.

Driver squibYou may download files here: driver squib circuit open Diagnosticare probleme airbag b002652-dtc b1401 driver's air bag squib open-circuited.

Airbag Squib

Srs code: b1b02 "driver ab squib 1 circuit open"

Will a driver knee blocker airbag squib circuit open, prevent my cruiseAirbag light on I have a code b0020-13. code b0020-13 left side seat deployment squib 1Airbag squib voltage circuit low side warning fault drivers light.

Squib circuit toyota airbag shifter mounted plugs plastic unit ac yellow between body whiteAirbag warning light fault b0014 drivers side airbag squib circuit low Squib dtc driver bag air open circuit module fault 2nd systemPassenger airbag squib 2 short circuit.

High resistance in iginition squb 1 & 2 - MBWorld.org Forums
Airbag Squib Circuit issue - Toyota Nation Forum : Toyota Car and Truck

Airbag Squib Circuit issue - Toyota Nation Forum : Toyota Car and Truck

B0001-13 Open Or Increased Resistance In The Driver’s Airbag First

B0001-13 Open Or Increased Resistance In The Driver’s Airbag First

Srs Airbag Wiring Diagram - Wiring Diagram

Srs Airbag Wiring Diagram - Wiring Diagram

airbag light on - DTC B1801 - Open in D Squib Circuit Toyota Hilux

airbag light on - DTC B1801 - Open in D Squib Circuit Toyota Hilux

B1B09 Passanger Airbag Squib 1 Circuit High - Obd2-code

B1B09 Passanger Airbag Squib 1 Circuit High - Obd2-code

Trouble Code B1806: Toyota Airbag Circuit Open - Expert Q&A

Trouble Code B1806: Toyota Airbag Circuit Open - Expert Q&A

B000113 driver frontal squib 1 control circuit open - YouTube

B000113 driver frontal squib 1 control circuit open - YouTube

← Drivepro Body 30 Transcend Soporte Drivepro Lobo Driver Attention Warning Hyundai Driver Attention Alert (daa →